Applications
          
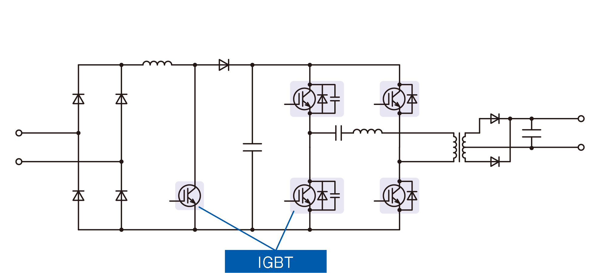
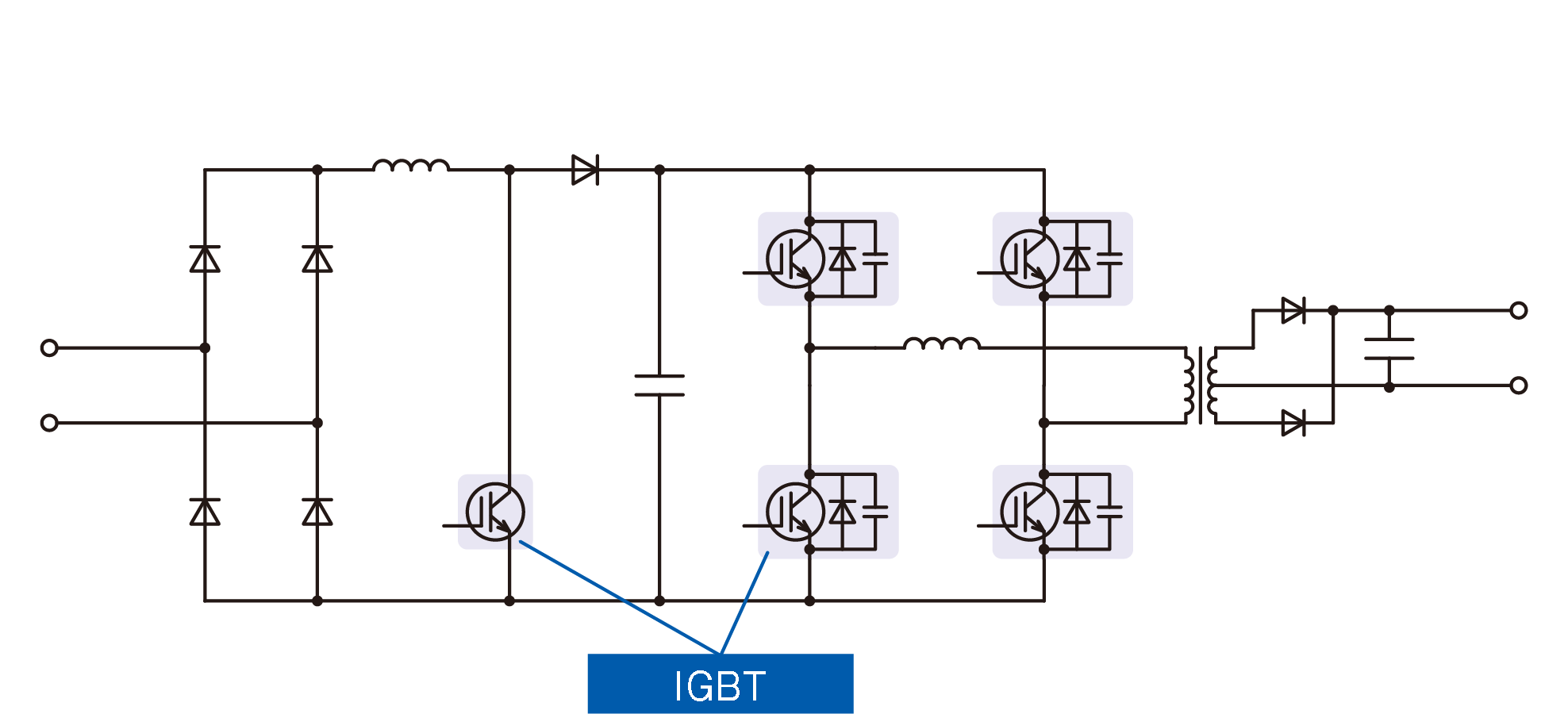
            Welding Machines
          
        
        
      
Welding machines are used in applications such as automobile body welding and spot welding, where a bond is created by crimping metal and feeding an electric current through it so that the metal melts and joins due to the resistance heat.
Circuit Example




Discrete IGBT
	
		
			
			NEW New product
UP Update
UD Under development



